產品分類一覽
C2/10T 1-C2/10T_C2稱重傳感器 HBM
德國HBM C2/10T稱重傳感器
產品名稱:德國HBM稱重傳感器C2/10T
產品品牌:德國HBM
產品價格:電話咨詢報價(020-82303306)
購買德國HBM稱重傳感器C2 10T請務必認準【廣州★南創】中國總代理官網,全國服務電話:020-82303306,我們鄭重承諾:“三個月內不滿意隨時無條件退換貨, 退還全部貨款,不收任何費用,質保兩年,提供終身免費維護!”
產品型號:C2 10T稱重傳感器
產品系列:C2稱重傳感器
產品類型:拉壓雙向稱重傳感器
產品規格:多個規格可選)

德國HBM C2/10t稱重傳感器主要特點:
德國HBM稱重傳感器1- C2/10T高動態負載,尺寸小,選用不銹鋼材質
防銹蝕,高精度,HBM傳感器C210T采用6線制
德國HBM稱重傳感器C2/10T結實耐用,高穩定性,保護等級EMC 認證
符合EMC標準(EN 45 501)
德國HBM傳感器C210T防爆型號符合ATEX95(可選)
量程范圍:50kg,100kg,200kg,500kg,1t,2t,5t,10t,20t,50t
德國HBM稱重傳感器C2可選量程:C2/50KG;C2/100KG;C2/200KG;C2/500KG;C2/1T;C2/2T;C2/5T;C2/10T;C2/20T;C2/50t
德國HBM稱重傳感器C2/10T產品技術參數:

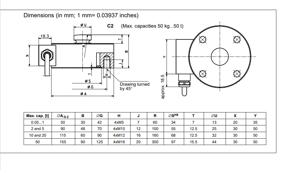
德國HBM稱重傳感器C2/10T產品尺寸圖:


德國HBM稱重傳感器C2系列型號:
C2/50KG稱重傳感器;C2/100KG稱重傳感器;C2/200KG稱重傳感器;C2/500KG稱重傳感器;C2/1T稱重傳感器;C2/2T稱重傳感器;C2/5T稱重傳感器;C2/10T稱重傳感器;C2/20T稱重傳感器;C2/50t稱重傳感器
德國HBM測力傳感器 C2系列型號:
C2/50N,C2/100N,C2/200N,C2/500N,C2/1KN,C2/2KN,C2/10T,C2/10KN,C2/20KN,C2/50KN
德國HBM稱重傳感器 C9B系列型號:
C9B/50N, C9B/100N, C9B/200N, C9B/500N, C9B/1kN, C9B/2kN, C9B/10T, C9B/10kN, C9B/20kN, C9B/50kN
德國HBM稱重傳感器 C18系列型號:
C18/10kN,C18/20kN,C18/50kN,C18/100kN,C18/200kN,C18/300kN,C18/500kN,C18/1MN,C18/2MN,C18/3MN,C18/5MN
系統工程推薦如下:
增重式配料系統
減重式配料系統
失重式配料系統
正壓密相氣力輸送系統
濃相氣力輸送系統
脈沖式氣力輸送系統
負壓吸送式氣力輸送系統
負壓氣力輸送系統
負壓稀相氣力輸送系統
Novotechnik位移傳感器
稱重模塊
有關德國HBM 德國HBM 1-C2/10T稱重傳感器相關知識拓展閱讀:
德國HBM稱重傳感器C2 10t電阻應變片可直接粘貼在被測量的受力構件上,HBMC210t稱重傳感器測量應力、應變。然而HBM傳感器C2/10t要測量其他被測量(如力、壓力、加速度等),就需要先將這些被測量轉換成應變,然后再用德國HBM1-C2/10t傳感器應變片進行測量,比直接測量多了一個轉換過程,HBM C2/10t稱重傳感器完成這種轉換的元件稱為彈性敏感元件。由HBM C210t傳感器彈性敏感元件和應變片,以及德國HBM C2 10t稱重傳感器一些附件(補償元件,殼體等)便組成各種電阻應變式傳感器。
以上是德國HBMC2/10T稱重傳感器產品相關內容中國代理官網、HBM C2 10T稱重傳感器廠家電話、自動配料系統,配料稱重控制系統、稱重傳感器型號類別技術參數選型安裝、等資料信息,如果有關德國HBM稱重傳感器1-C2/10T其他相關方面需要,可直接電話聯系HBM稱重傳感器C210T相關負責工程師咨詢020-82303306。
【廣州★南創】:【中國十大自動配料系統★集成供應商】專業提供自動配料系統設計方案、工作原理、稱重傳感器、德國HBM 1-C2/10T稱重傳感器選型及報價。供應全自動配料系統,配料稱重控制系統,稱重設備,咨詢電話:020-82303306。
產品名稱:德國HBM稱重傳感器C2/10T
產品品牌:德國HBM
產品價格:電話咨詢報價(020-82303306)
購買德國HBM稱重傳感器C2 10T請務必認準【廣州★南創】中國總代理官網,全國服務電話:020-82303306,我們鄭重承諾:“三個月內不滿意隨時無條件退換貨, 退還全部貨款,不收任何費用,質保兩年,提供終身免費維護!”
產品型號:C2 10T稱重傳感器
產品系列:C2稱重傳感器
產品類型:拉壓雙向稱重傳感器
產品規格:多個規格可選)

德國HBM C2/10t稱重傳感器主要特點:
德國HBM稱重傳感器1- C2/10T高動態負載,尺寸小,選用不銹鋼材質
防銹蝕,高精度,HBM傳感器C210T采用6線制
德國HBM稱重傳感器C2/10T結實耐用,高穩定性,保護等級EMC 認證
符合EMC標準(EN 45 501)
德國HBM傳感器C210T防爆型號符合ATEX95(可選)
量程范圍:50kg,100kg,200kg,500kg,1t,2t,5t,10t,20t,50t
德國HBM稱重傳感器C2可選量程:C2/50KG;C2/100KG;C2/200KG;C2/500KG;C2/1T;C2/2T;C2/5T;C2/10T;C2/20T;C2/50t
德國HBM稱重傳感器C2/10T產品技術參數:

德國HBM稱重傳感器C2/10T產品尺寸圖:


德國HBM稱重傳感器C2系列型號:
C2/50KG稱重傳感器;C2/100KG稱重傳感器;C2/200KG稱重傳感器;C2/500KG稱重傳感器;C2/1T稱重傳感器;C2/2T稱重傳感器;C2/5T稱重傳感器;C2/10T稱重傳感器;C2/20T稱重傳感器;C2/50t稱重傳感器
德國HBM測力傳感器 C2系列型號:
C2/50N,C2/100N,C2/200N,C2/500N,C2/1KN,C2/2KN,C2/10T,C2/10KN,C2/20KN,C2/50KN
德國HBM稱重傳感器 C9B系列型號:
C9B/50N, C9B/100N, C9B/200N, C9B/500N, C9B/1kN, C9B/2kN, C9B/10T, C9B/10kN, C9B/20kN, C9B/50kN
德國HBM稱重傳感器 C18系列型號:
C18/10kN,C18/20kN,C18/50kN,C18/100kN,C18/200kN,C18/300kN,C18/500kN,C18/1MN,C18/2MN,C18/3MN,C18/5MN
系統工程推薦如下:
增重式配料系統
減重式配料系統
失重式配料系統
正壓密相氣力輸送系統
濃相氣力輸送系統
脈沖式氣力輸送系統
負壓吸送式氣力輸送系統
負壓氣力輸送系統
負壓稀相氣力輸送系統
Novotechnik位移傳感器
稱重模塊
有關德國HBM 德國HBM 1-C2/10T稱重傳感器相關知識拓展閱讀:
德國HBM稱重傳感器C2 10t電阻應變片可直接粘貼在被測量的受力構件上,HBMC210t稱重傳感器測量應力、應變。然而HBM傳感器C2/10t要測量其他被測量(如力、壓力、加速度等),就需要先將這些被測量轉換成應變,然后再用德國HBM1-C2/10t傳感器應變片進行測量,比直接測量多了一個轉換過程,HBM C2/10t稱重傳感器完成這種轉換的元件稱為彈性敏感元件。由HBM C210t傳感器彈性敏感元件和應變片,以及德國HBM C2 10t稱重傳感器一些附件(補償元件,殼體等)便組成各種電阻應變式傳感器。
以上是德國HBMC2/10T稱重傳感器產品相關內容中國代理官網、HBM C2 10T稱重傳感器廠家電話、自動配料系統,配料稱重控制系統、稱重傳感器型號類別技術參數選型安裝、等資料信息,如果有關德國HBM稱重傳感器1-C2/10T其他相關方面需要,可直接電話聯系HBM稱重傳感器C210T相關負責工程師咨詢020-82303306。
【廣州★南創】:【中國十大自動配料系統★集成供應商】專業提供自動配料系統設計方案、工作原理、稱重傳感器、德國HBM 1-C2/10T稱重傳感器選型及報價。供應全自動配料系統,配料稱重控制系統,稱重設備,咨詢電話:020-82303306。
